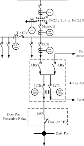
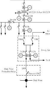
Protection Relay Co-ordination






Substation relay coordination is a specialized aspect of protective relay coordination that focuses on ensuring the effective and coordinated operation of protective relays within an electrical substation. A substation is a critical component of an electrical power system where voltage levels are transformed, controlled, and distributed. Relay coordination within a substation is crucial to safeguard the substation equipment, minimize power disruptions, and ensure the overall reliability of the power grid.
Here's a brief overview of substation relay coordination:
Primary and Backup Protection: Substations typically contain various protective relays that serve as both primary and backup protection for different substation components, such as transformers, circuit breakers, and busbars. Relay coordination ensures that these relays work together harmoniously to detect and isolate faults or abnormal conditions.
Zone of Protection: Each protective relay within a substation has a specific zone of protection, which defines the portion of the substation it is responsible for safeguarding. Proper coordination ensures that these zones do not overlap and that each relay operates when and where it is needed.
Time-Current Coordination: Time-current coordination curves are established for each relay in the substation. These curves dictate the response time of the relays based on the magnitude and duration of fault currents. Faster-acting relays are positioned closer to the source of power, while slower-acting relays are placed further downstream.
Backup Protection: Substation relay coordination also considers the hierarchy of protection, where primary relays operate first, and backup relays only come into action if the primary relays fail to operate or if the fault extends beyond their protection zone. This ensures a graded and selective response to faults.
Selective Tripping: One of the primary goals of coordination is to achieve selective tripping. This means that when a fault occurs, only the circuit breaker or protective device closest to the fault should trip, isolating the faulted section while leaving the rest of the substation operational.
Communication and Supervision: In modern substations, communication between relays and supervisory control systems is crucial for enhanced coordination. These systems can provide real-time data and enable remote control, improving the overall reliability of the substation.
Settings and Testing: Proper relay settings, including pickup settings and time-current characteristics, are configured to ensure coordination. Periodic testing and maintenance of the relays are also essential to verify their performance.
Relay Coordination Software: Engineers often use specialized relay coordination software and simulation tools to design and fine-tune relay settings, taking into account various fault scenarios and system conditions.
